DISCONTINUED MODEL
For new constructions, we recommend the technically improved e-chain® Series 2500 from the igus® E20000 product range.
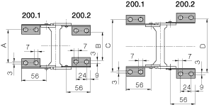
Secure hold of the crossbars, improved opening principle, longer unsupported lengths, same dimensions
Series 20 is available from stock in limited numbers. Product support and storage are limited as of 2012. For questions, please refer to your igus® contact person. Thank you for your understanding
to the E2/000 Serise 2500
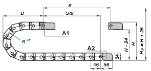
Here you can configure your e-chain system® individually. All entries and changes are taking over to the part list which is situated at the end of the page.