DISCONTINUED MODEL
For new constructions, we recommend the technically improved e-chain® Series 15150 from the igus® E4/light product range.
+25% more unsupported length, higher stability and tensile strength, same dimensions and connection dimensions
Series 151 is available from stock in limited numbers. Product support and storage are limited as of 2012. For questions, please refer to your igus® contact person. Thank you for your understanding
to the E4/light Series 15150
Here you can configure your e-chain system® individually. All entries and changes are taking over to the part list which is situated at the end of the page.
Series 151 - chain, with crossbars every 2nd link
1.KMA mounting brackets
2.Fixed or pivoting mounting brackets available
3.R198: Lid can be pivoted and removed
4.R198: Shelves can be removed
5.Tube and chain can be combined
6.Strain relief can be integrated into the mounting brackets
7.150/151:Crossbars removable on both sides
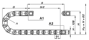
Available inner widths Bi: 50 to 600mm
Available bend radii R: 150 to 500mm
Pitch: 91mm/link = 11 links/m