Here you can configure your e-chain system® individually. All entries and changes are taking over to the part list which is situated at the end of the page.
       
     
    
	
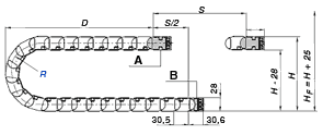
    Series R117 - Tube, openable along the inner radius, from both sides
    1. Effective swarf protection, even hot hot swarf
 2. Smooth chip-repellent outer contour
 3. Double stop-dog system for large unsupported length
 4. Side opening lids and covered pin/bore connection
 5. Lateral gliding surfaces for side-mounted operation
 6. Lids openable along inner or the outer radius
 7. KMA mounting bracket with attachment options from any side
 8. Good ratio of outer to inner dimensions