Here you can configure your e-chain system® individually. All entries and changes are taking over to the part list which is situated at the end of the page.
Series Z08 - chain, to be filled along the inner radius
1. Very easy to fill - ideal for applications with pre-assembled connectors
2. Small pitch for quiet, smooth running
3. Limited torsional movement possible
4. Low weight
5. "Push button principle" holds links together
6. Cable-friendly interior separation
7. Version E, filled along the outer radius
8. Version Z, filled along inner radius
9. Integrated strain relief option
Available inner widths Bi: 10 to 50 mm
Available bend radii R: 28, 38, 48 mm
Pitch: 20 mm/link = 50 links/m
Overlapping on the opening mechanism, except for width 10 and 16, gap dimension 5.5 and 4 mm
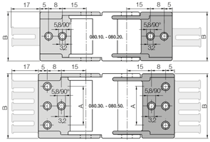
A=moving end, B=fixed end
Pitch: 20 mm
Chain links per m: 50
Travel: S
Chain length = S/2 + K