Here you can configure your e-chain system® individually. All entries and changes are taking over to the part list which is situated at the end of the page.
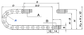
Series E03 - Chain to be filled along the outer radius
1. Smallest igus® e-chain® - Interior dimensions 5 x 5 mm
2. Very easy to fill - ideal for applications with pre-assembled connectors, opening and closing the lids are no longer necessary
3. Mounting bracket with integrated strain relief 4. Small pitch for quiet, smooth run
5. Very low weight
6. Very cost-effective price
7. "Push button principle" keeps chain links together