Here you can configure your e-chain system® individually. All entries and changes are taking over to the part list which is situated at the end of the page.
Series 1500 – chain, openable along the outer radius
1. Optimised opening system for fast opening of extender crossbars, either from the left or right
2. Double stop-dog system for long unsupported lengths
3. High holding force of the extender crossbars
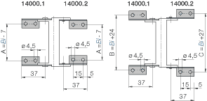
4. 1400 e-chain®series openable along inner radius, from both sides
5. 1500 e-chain® series openable along the outer radius, from on both sides
6. 1450 half e-tube series openable along inner radius, from both sides
7. 1480 fully enclosed e-tube series openable along the inner radius
8. Proven and tested mounting brackets
9. Versatile modular interior separations
10. Easy assembly due to optimised pins
11. Strain relief can be integrated in the mounting bracket
12. Series E 1500 available in the ESD product range
Series 1500 ESD
IPA classification – Report IG 1303-640, tested 1500.050.038.0