DISCONTINUED MODEL
For new designs, we recommend the improved e-chain® series E4.28 from the igus® E4.1 modular system.
+25% more unsupported length, higher strength and tensile strength, same dimensions and connection dimensions
Series 23 is available from stock in limited numbers. Product support and storage are limited as of 2012. For questions, please refer to your igus® contact person. Thank you for your understanding
to the E4.28 series
Here you can configure your e-chain system® individually. All entries and changes are taking over to the part list which is situated at the end of the page.
Series 23 - chain, with crossbars every 2nd link
1.KMA mounting brackets
2.Fixed or pivoting mounting brackets available
3.R76: Lid can be pivoted and removed
4.R76: Shelves can be removed
5.Tube and chain can be combined
6.Strain relief can be integrated into the mounting bracket
7.22/23: Crossbars removable from both sides
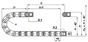
Available inner widths Bi: 40 to 300mm
Available bend radii R: 55 to 250mm
Pitch: 46mm/link = 22 links/m