DISCONTINUED MODEL
For new designs, we recommend the improved e-chain® series H4.80 from the igus® E4.1 modular system.
+25% more unsupported length, higher strength and tensile strength, same dimensions and connection dimensions
Series 51 is available from stock in limited numbers. Product support and storage are limited as of 2012. For questions, please refer to your igus® contact person. Thank you for your understanding
to the H4.80 series
Here you can configure your e-chain system® individually. All entries and changes are taking over to the part list which is situated at the end of the page.
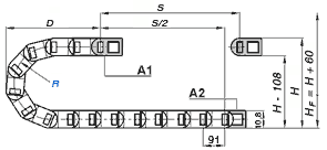
Series 51 - chain, with crossbars every 2nd link
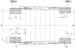
1. KMA - mounting brackets
2. Fixed/pivoting mounting brackets available
3. R98: Lid can be opened and removed
4. R98: Shelves can be removed
5. Tube and chain can be combined
6. Strain relief elements can be integrated
7. 50/51: Crossbars removable from both sides
Available inner widths Bi: 50 to 600 mm
Available bend radii R: 150 to 1000 mm
Pitch: 91mm/link = 11 links/m