Here you can configure your e-chain system® individually. All entries and changes are taking over to the part list which is situated at the end of the page.
Series R68 New – Tube, opens along the outer radius
1. Excellent protection for cables and hoses, from hot swarf as well
2. Large pins, high strength
3. Smooth chip-repellent outer contour
4. Small pitch for quiet, smooth running
5. Lids can be removed along the outer radius
6. Fully enclosed
7. KMA mounting brackets with option to fasten from any side
8. Integrated strain relief is available specially for e-tubes
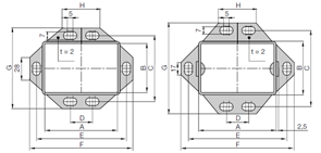
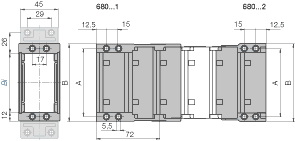
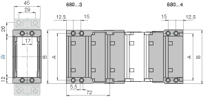
Available inner widths Bi: 50 to 250mm
Available bend radii R: 100 to 300mm
Pitch: 36mm/link = 28 links/m