Here you can configure your e-chain system® individually. All entries and changes are taking over to the part list which is situated at the end of the page.
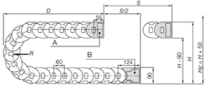
Series R2.75 - tube, lid openable along the outer radius, from both sides.
1. Sealed and universal: enclosed KMA mounting bracket with attachment from any side
2. Edge-free: smooth design, swarf cannot stick
3. Quick assembly: lid openable from both sides
4. Integrated grid structure: ideal for 90° rotating applications
5. Protected: covered pin/bore connection
6. Quiet operation: due to built-in brake
7. Lightweight with large inner height: good ratio of outer to inner dimensions
8. Stable: double stop-dog system for large unsupported length