My contact person
Select location

After selection of your ZIP code, we designate the relevant staff to attend to you at once.

INT(EN)

Lubrication-free drylin® ZLW-OD toothed belt axis in installation size 16

LH/RH

Opposed belt drive
The new drylin® ZLW-OD toothed belt axis in installation size 1660 completes the series of reversing linear axes. A robust structure based on the lubrication-free drylin® W linear system, aluminium shaft end supports and grooved ball bearings in the end supports enable extremely fast reverse positioning with a maximum stroke of 3,000 mm. The axis can be configured, ordered and delivered ready-to-connect for motorised adjustments with drylin® NEMA stepper motors.

Lubrication-free linear guide based on drylin® W

Individual stroke lengths up to max. 3,000 mm

Radial loads up to 200 N

drylin® E stepper motors (with or without encoder and/or brake) available

Delivery includes angle flange for fixing


Typical application areas:Handling and automation, vending machines, storage and retrieval machines
drylin® Angle flange alignment
ZLW Option "02" mounted on the side, ZLW alignment on the edge
drylin® Option "04" mounted horizontally, ZLW alignment horizontal
ZLW Option "03" mounted on the front

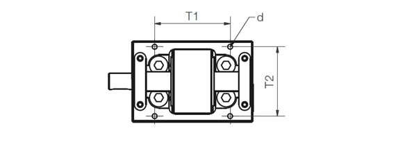
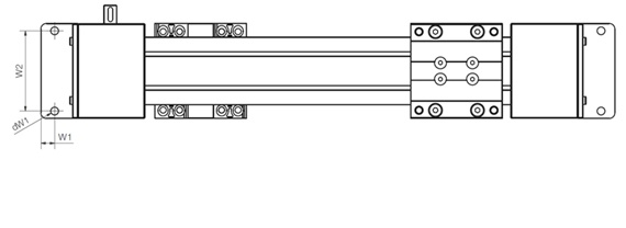
Dimensions [mm]

Part No. A Al H Ht E2 E3 L R f lt sg ha lz Stroke length
-0,3 ±0,15 ±0,15 ±0,15 ±0,3 max.
ready for shipping in 10 working days ZLW-1660-OD-02 104 100 70 70 86 82 248 58 0 79 M8 35 36 3000 Upon request Add to shopping cart
ready for shipping in 10 working days ZLW-1660-OD-03 104 100 70 70 86 82 248 58 0 79 M8 35 36 3000 Upon request Add to shopping cart
ready for shipping in 10 working days ZLW-1660-OD-04 104 100 70 70 86 82 248 58 0 74 M8 35 36 3000 Upon request Add to shopping cart
More about selected part:
3D-CAD 3D-CAD
Sample request Sample request
PDF PDF
Quote request Quote request
myCatalog myCatalog
Part No. l2 d2 d T1 T2 Ws W1 W2 dw1 IW AW
h9 ±0,25 ±0,25
ready for shipping in 10 working days ZLW-1660-OD-02 20 14 M5 - 10 deep 65 60 5 15 54 8,5 328 114 Upon request Add to shopping cart
ready for shipping in 10 working days ZLW-1660-OD-03 20 14 M5 - 10 deep 65 60 5 15 88 8,5 328 75 Upon request Add to shopping cart
ready for shipping in 10 working days ZLW-1660-OD-04 20 14 M5 - 10 deep 65 60 5 248 70 Upon request Add to shopping cart
More about selected part:
3D-CAD 3D-CAD
Sample request Sample request
PDF PDF
Quote request Quote request
myCatalog myCatalog

More information:


ready for shipping in 10 working days

The terms "Apiro", "AutoChain", "CFRIP", "chainflex", "chainge", "chains for cranes", "ConProtect", "cradle-chain", "CTD", "drygear", "drylin", "dryspin", "dry-tech", "dryway", "easy chain", "e-chain", "e-chain systems", "e-ketten", "e-kettensysteme", "e-loop", "energy chain", "energy chain systems", "enjoyneering", "e-skin", "e-spool", "fixflex", "flizz", "i.Cee", "ibow", "igear", "iglidur", "igubal", "igumid", "igus", "igus improves what moves", "igus:bike", "igusGO", "igutex", "iguverse", "iguversum", "kineKIT", "kopla", "manus", "motion plastics", "motion polymers", "motionary", "plastics for longer life", "print2mold", "Rawbot", "RBTX", "RCYL", "readycable", "readychain", "ReBeL", "ReCyycle", "reguse", "robolink", "Rohbot", "savfe", "speedigus", "superwise", "take the dryway", "tribofilament", "tribotape", "triflex", "twisterchain", "when it moves, igus improves", "xirodur", "xiros" and "yes" are legally protected trademarks of the igus® SE & Co. KG / Cologne in the Federal Republic of Germany and where applicable in some foreign countries. This is a non-exhaustive list of trademarks (e.g. pending trademark applications or registered trademarks) of igus GmbH or affiliated companies of igus in Germany, the European Union, the USA and/or other countries or jurisdictions.

igus® SE & Co. KG points out that it does not sell any products of the companies Allen Bradley, B&R, Baumüller, Beckhoff, Lahr, Control Techniques, Danaher Motion, ELAU, FAGOR, FANUC, Festo, Heidenhain, Jetter, Lenze, LinMot, LTi DRiVES, Mitsubishi, NUM,Parker, Bosch Rexroth, SEW, Siemens, Stöber and all other drive manufacturers mention on this website. The products offered by igus® are those of igus® SE & Co. KG