My contact person
Select location

After selection of your ZIP code, we designate the relevant staff to attend to you at once.

INT(EN)

Offshore chain OSC

Strongest energy chain - double-protected - flexible

The igus offshore chain OSC is used under the toughest conditions, where safety, a long service life and harsh environmental influences are decisive criteria for the function of the system. The OSC  combines the advantages of a plastic energy chain with those of a high-strength pull rope, which is guided in both chain links. Tensile forces are absorbed by the plastic fibre rope and transmitted to the mounting brackets. The interior separation can be modularly adapted to the project and cable package. The e-chain offers a bend radius of 750mm for cables and hoses.
Request offshore chain OSC now

Tech up

Tech up

  • Modular system, easy to open if necessary
  • All components are individually replaceable
  • Interior separation can be individually adapted to project and cable package
  • Maximum cable/hose outer diameter up to 80mm or 750mm bend radius
  • Resistant to dirt
Cost down

Cost down

  • Turnkey solutions (with plug-in connectors and/or connector housings including electrical testing)
  • Integration of i.Sense condition monitoring systems possible for remote scheduled maintenance and operation
  • Mounting brackets for easy and fast installation
  • Energy chains with 36-month guarantee
Proof

Proof

  • Permitted operating load of the plastic rope of 187kN
  • Operational reliability due to secondary locking tension of all bolted connections possible
  • Protects against impact due to robust PU outer body
  • Delivery time from 10 weeks
Sustainability

Sustainability


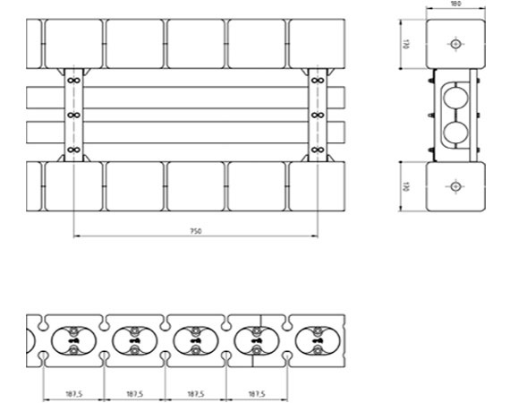
Structure of the offshore chain OCS

Offshore chain OCS

Interior separation

The interior separation of the energy chain can be individually adapted to the project and the cables/hoses to be used. The cables are arranged side by side and separated from each other by a PU body (in the form of a comb). The interior separation block is inserted into a steel frame and closed from above with screws and extender crossbars.

Chain link

The chain links of the OSC are made of a foamed-on PU material and are therefore shock-resistant. The plastic rope runs inside the chain links and is clamped several times in each chain link. All parts are screwed together and can be double secured if necessary.

Plastic fibre rope

The high-strength plastic fibre rope absorbs any tensile forces that occur and transmits them to the mounting brackets. This keeps the cables free from any tensile strain. The pull rope can take up tensile forces up to 187kN.

Mounting brackets

The plastic fibre rope ends in the two steel mounting brackets. The strain relief of the cables is also located at this point. The mounting bracket can be screwed to the customer structure using through holes.

Product range


Cable diameter Max. 80mm
Hi [mm]Max. 80mm
Ha [mm]180 mm
Pitch [mm]187,5 / 750
Bend radius [mm]750 mm
Weight [kg/m]40kg/m
Work load [kN]187kN
 
Request a project consultation now

The most exciting projects with the OSC offshore chain

The offshore chain OCS can be used in the following industries:


Questions and answers

How can I supply energy in heavy-duty applications safely and reliably? What alternatives are there to service loops and umbilical's?
igus has developed the offshore chain so that cables even with large cross sections and heavy weight can be guided safely in hanging applications. This energy chain is the strongest and most robust energy chain from igus. Specially developed to withstand high cable weights or even wind loads. Due to the installed plastic ropes inside the chain links, the energy chain can absorb tensile loads of up to 187kN.
 
How does the OSC absorb forces?
The new energy supply system from igus is built around a high-tensile plastic rope that absorbs the tensile forces on the system. The rope is composed of a synthetic plastic fibre and is therefore shatterproof, weather-resistant, flexible and corrosion-free. This enables the e-chain to carry tensile loads of up to 187kN.
Is it possible to exchange cables in the OSC?
The e-chain is openable from above by loosening the screws on the crossbar. This gives you access to the cable package and you can swap accordingly. Another possibility is to pull the cables lengthwise through the OSC.
 
How does igus deliver the OSC and how does the installation process work?
The delivery of the OSC chain depends on the chain length. Usually the OSC chain is delivered pre-assembled, with final assembly at the customer's site. Our installation team is happy to take care of the assembly.
 
How do you prevent chain parts from coming loose and falling down?
All parts of the chain are bolted together, secured with wedge washers and glued. If required, these connections can also be made captive with a cotter pin as a double screw lock.

You might also be interested in this

chainflex cables

chainflex cables Fail-safe cables with a four-year guarantee for moving applications

readychain complete system

chainflex cables Everything from a single source! Harnessing time decreases by up to 95%

Project planning

Project planning Tailored solutions apart from the product catalogue for special applications

Consulting

I look forward to answering your questions

Shipping and consultation

In person:

Monday to Friday from 7 am - 8 pm.
Saturdays from 8 am- 12 pm.

Online:

24h


The terms "Apiro", "AutoChain", "CFRIP", "chainflex", "chainge", "chains for cranes", "ConProtect", "cradle-chain", "CTD", "drygear", "drylin", "dryspin", "dry-tech", "dryway", "easy chain", "e-chain", "e-chain systems", "e-ketten", "e-kettensysteme", "e-loop", "energy chain", "energy chain systems", "enjoyneering", "e-skin", "e-spool", "fixflex", "flizz", "i.Cee", "ibow", "igear", "iglidur", "igubal", "igumid", "igus", "igus improves what moves", "igus:bike", "igusGO", "igutex", "iguverse", "iguversum", "kineKIT", "kopla", "manus", "motion plastics", "motion polymers", "motionary", "plastics for longer life", "print2mold", "Rawbot", "RBTX", "RCYL", "readycable", "readychain", "ReBeL", "ReCyycle", "reguse", "robolink", "Rohbot", "savfe", "speedigus", "superwise", "take the dryway", "tribofilament", "tribotape", "triflex", "twisterchain", "when it moves, igus improves", "xirodur", "xiros" and "yes" are legally protected trademarks of the igus® SE & Co. KG / Cologne in the Federal Republic of Germany and where applicable in some foreign countries. This is a non-exhaustive list of trademarks (e.g. pending trademark applications or registered trademarks) of igus GmbH or affiliated companies of igus in Germany, the European Union, the USA and/or other countries or jurisdictions.

igus® SE & Co. KG points out that it does not sell any products of the companies Allen Bradley, B&R, Baumüller, Beckhoff, Lahr, Control Techniques, Danaher Motion, ELAU, FAGOR, FANUC, Festo, Heidenhain, Jetter, Lenze, LinMot, LTi DRiVES, Mitsubishi, NUM,Parker, Bosch Rexroth, SEW, Siemens, Stöber and all other drive manufacturers mention on this website. The products offered by igus® are those of igus® SE & Co. KG