My contact person
Select location

After selection of your ZIP code, we designate the relevant staff to attend to you at once.

INT(EN)

SHT-FF linear module with quick-release

Fast, precise positioning

SHT-FF linear modules with quick release mechanism offer a combination of precise positioning and fast manual adjustment.
  • Aluminium version
  • For quick format adjustments
  • Including self-locking brake
  • Variable stroke length
  • Only recommended for horizontal applications
  • Max. stat. axial load 200N (horizontal mounting position)
  • Max. dynamic. axial load 50N
Linear module with quick-release mechanism
press➔disengage➔move manually➔click into place➔fine-tune

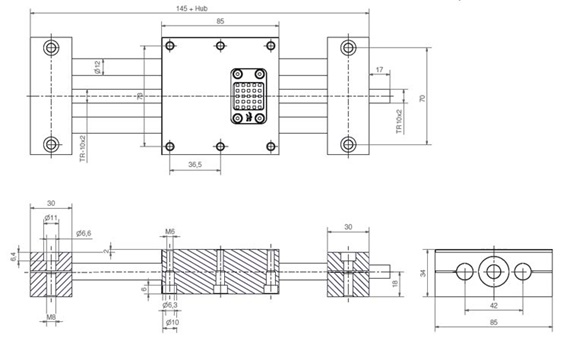
SHT-FF-08

SHT-FF linear module with quick-release mechanism
  • Carriage length: 65mm
  • Maximum stroke length: 300mm
  • Shaft diameter: 8mm
  • SHT-08: max. Axial load: 50N (horizontal installation position)

SHT-FF-12

SHT-FF linear module with quick-release mechanism
  • Carriage length: 85mm
  • Maximum stroke length: 750mm
  • Shaft diameter: 12mm
  • SHT-12: max. axial load: 200N (horizontal mounting position)

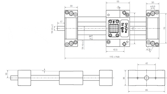
The especially lightweight linear module with quick release

SHTP-FF as a lightweight iglidur material model

The SHTP linear module with quick-release mechanism has all the advantages of the aluminium versions, but is significantly lighter because of the polymer designs of the carriages and shaft end supports. A linear module with a stroke length of 100mm weighs only 0.35kg. 
  • Especially lightweight design
  • Variable stroke length
  • Only recommended for horizontal applications
  • Max. stat. axial load 200N
  • Max. dynamic. axial load 50N
Lightweight SHTP-FF linear module of iglidur polymer material

SHT-FF linear module with quick-release mechanism SHT-FF linear module
SHTP-FF SHTP-FF linear module

Part No. A Al H E1 E2 E3 l R f lt tk ts tg kt s sk
  -0,3 -0,3   ±0,15 ±0,15 ±0,15 [mm] [mm] [mm] ±0,1 [mm] [mm] [mm] ±0,1    
ready for shipping in 10 working days SHT-12-AWM-FF 85 85 34 70 73 36,5 42 2 30 11 6,6 M8 6,4 6,3 10
ready for shipping in 3 working days SHTP-01-12-AWM-FF (1) 85 55 36 70 73 42,5 115 42 2 30 10 6,6 0
ready for shipping in 10 working days SHT-08-FF 65 65 23 52 55 55 32 1,5 15,5 10 5,5 M6 7 4,2 8
More about selected part:
3D-CAD 3D-CAD
Sample request Sample request
PDF PDF
Quote request Quote request
myCatalog myCatalog

(1) Liners and trapezoidal leadscrew nut made of iglidur® J

Part No. sg kq d T l2 d2* ha Max.
stroke length
Weight Weight additional

   
            standard   [mm] [kg] per 100 mm    
ready for shipping in 10 working days SHT-12-AWM-FF M6 6 12 17 TR10x2 18 750 1,1 0,1 Upon request Add to shopping cart
ready for shipping in 3 working days SHTP-01-12-AWM-FF (1) M6 12 17 TR10x2 18 500 0,35 0,11 Upon request Add to shopping cart
ready for shipping in 10 working days SHT-08-FF M5 4,6 8 6 17 6 13 300 0,35 0,06 Upon request Add to shopping cart
More about selected part:
3D-CAD 3D-CAD
Sample request Sample request
PDF PDF
Quote request Quote request
myCatalog myCatalog

(1) Liners and trapezoidal leadscrew nut made of iglidur® J

Linear module shop

drylin® linear modules with a single click ...

... order linear modules harnessed, ready to connect, with stroke lengths of 250 and 500mm in the online shop.

  • With lead screw drive or toothed belt drive
  • Two defined stroke lengths for each system
  • Flexible with drive pins for manual and electric operation.  Ready to install with lead screw clamp, position indicator and hand wheel for quickly replicable adjustments 
  • No time-consuming searching and assembly
  • Reduced design effort with PDF and CAD file available in the online shop
To the linear module shop


ready for shipping in 3 working days
ready for shipping in 10 working days

The terms "Apiro", "AutoChain", "CFRIP", "chainflex", "chainge", "chains for cranes", "ConProtect", "cradle-chain", "CTD", "drygear", "drylin", "dryspin", "dry-tech", "dryway", "easy chain", "e-chain", "e-chain systems", "e-ketten", "e-kettensysteme", "e-loop", "energy chain", "energy chain systems", "enjoyneering", "e-skin", "e-spool", "fixflex", "flizz", "i.Cee", "ibow", "igear", "iglidur", "igubal", "igumid", "igus", "igus improves what moves", "igus:bike", "igusGO", "igutex", "iguverse", "iguversum", "kineKIT", "kopla", "manus", "motion plastics", "motion polymers", "motionary", "plastics for longer life", "print2mold", "Rawbot", "RBTX", "RCYL", "readycable", "readychain", "ReBeL", "ReCyycle", "reguse", "robolink", "Rohbot", "savfe", "speedigus", "superwise", "take the dryway", "tribofilament", "tribotape", "triflex", "twisterchain", "when it moves, igus improves", "xirodur", "xiros" and "yes" are legally protected trademarks of the igus® SE & Co. KG / Cologne in the Federal Republic of Germany and where applicable in some foreign countries. This is a non-exhaustive list of trademarks (e.g. pending trademark applications or registered trademarks) of igus GmbH or affiliated companies of igus in Germany, the European Union, the USA and/or other countries or jurisdictions.

igus® SE & Co. KG points out that it does not sell any products of the companies Allen Bradley, B&R, Baumüller, Beckhoff, Lahr, Control Techniques, Danaher Motion, ELAU, FAGOR, FANUC, Festo, Heidenhain, Jetter, Lenze, LinMot, LTi DRiVES, Mitsubishi, NUM,Parker, Bosch Rexroth, SEW, Siemens, Stöber and all other drive manufacturers mention on this website. The products offered by igus® are those of igus® SE & Co. KG