My contact person
Select location

After selection of your ZIP code, we designate the relevant staff to attend to you at once.

INT(EN)

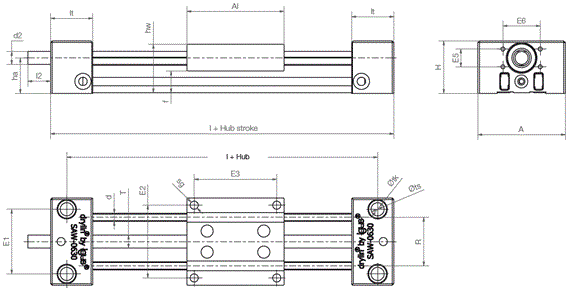
The carbon SAW linear module in lightweight construction

Very lightweight, very robust

The design of the drylin® linear module SAW is based on the lubrication-free drylin® W linear guide with a carbon rail profile and a dry-tech® linear carriage. The lead screw can be configured with steel/stainless steel or hard anodised aluminium. The innovative use of carbon reduces the rail weight by approx. 25% compared to aluminium.
 

  • Robust and stiff carbon profile
  • Lubrication and maintenance-free
  • Individual stroke lengths, max. 300mm
  • Drive: Trapezoidal or high helix lead screw
  • For manual adjustment
Typical application areas: Medical and analytical technology, measurement and inspection technology

igus SAW-0630-P carbon linear module

SAW-0630-P

  • Max. stroke length: 300mm
  • Profile material: carbon 
  • Carriage length: 60mm
  • Carriage width: 54mm
  • Max. static load capacity:
    • Axial: 50N
    • Radial: 50N 


SAW-0630-P technical options

The following options can be configured directly online for the SAW product range.



ready for shipping in 10 working days

The terms "Apiro", "AutoChain", "CFRIP", "chainflex", "chainge", "chains for cranes", "ConProtect", "cradle-chain", "CTD", "drygear", "drylin", "dryspin", "dry-tech", "dryway", "easy chain", "e-chain", "e-chain systems", "e-ketten", "e-kettensysteme", "e-loop", "energy chain", "energy chain systems", "enjoyneering", "e-skin", "e-spool", "fixflex", "flizz", "i.Cee", "ibow", "igear", "iglidur", "igubal", "igumid", "igus", "igus improves what moves", "igus:bike", "igusGO", "igutex", "iguverse", "iguversum", "kineKIT", "kopla", "manus", "motion plastics", "motion polymers", "motionary", "plastics for longer life", "print2mold", "Rawbot", "RBTX", "RCYL", "readycable", "readychain", "ReBeL", "ReCyycle", "reguse", "robolink", "Rohbot", "savfe", "speedigus", "superwise", "take the dryway", "tribofilament", "tribotape", "triflex", "twisterchain", "when it moves, igus improves", "xirodur", "xiros" and "yes" are legally protected trademarks of the igus® SE & Co. KG / Cologne in the Federal Republic of Germany and where applicable in some foreign countries. This is a non-exhaustive list of trademarks (e.g. pending trademark applications or registered trademarks) of igus GmbH or affiliated companies of igus in Germany, the European Union, the USA and/or other countries or jurisdictions.

igus® SE & Co. KG points out that it does not sell any products of the companies Allen Bradley, B&R, Baumüller, Beckhoff, Lahr, Control Techniques, Danaher Motion, ELAU, FAGOR, FANUC, Festo, Heidenhain, Jetter, Lenze, LinMot, LTi DRiVES, Mitsubishi, NUM,Parker, Bosch Rexroth, SEW, Siemens, Stöber and all other drive manufacturers mention on this website. The products offered by igus® are those of igus® SE & Co. KG