My contact person
Select location

After selection of your ZIP code, we designate the relevant staff to attend to you at once.

INT(EN)

Thrust bearings

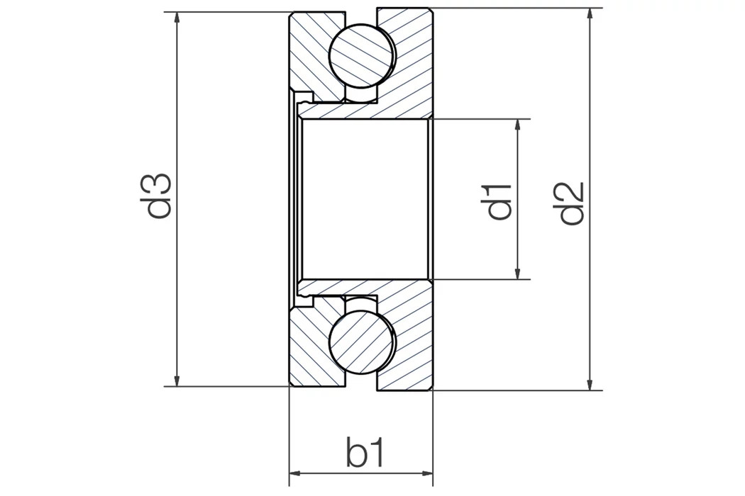
Thrust bearing with technical drawing
In contrast to thrust bearings made of metal, xiros thrust bearings are characterised by their lightweight feature They run smoothly, which is due to the fact that the balls do not have to overcome the resistance of the lubricant. They are also characterised by low coefficients of friction with good wear resistance. As they do not require additional lubrication, the thrust bearings are clean and hygienic and are particularly suitable for applications in medical and packaging technology. Applications in the food industry are also an option, as our plastic thrust bearings with stainless steel balls are FDA-certified. Axial needle roller bearings are not part of the product range.
Buy now in the online shop

Everything about our thrust bearings at a glance:

What are thrust bearings?

Thrust bearings, also known as compression bearings, are there to absorb forces in the axial direction of the shaft. Their design makes them ideal for low to medium speeds with low centrifugal forces and high stiffness.In contrast, deep groove ball bearings in accordance with DIN 625 implement the support of radial loads, whereby small to medium axial forces can also be absorbed. If the forces act in the direction of the shaft or axis, this is referred to as axial forces.

Standard radial deep groove ball bearings are not sufficient to dissipate these forces. Ball bearings are required for this purpose, which prevent displacement in the axial direction. Thrust bearings allow load distribution to all rolling elements, in a completely different way as is the case with radial bearings.
Thrust bearing drawing
Thrust bearing drawing

Where can I buy the thrust bearings?

Single-row thrust bearings Single-row thrust bearings, single direction

How are thrust bearings constructed and what are their advantages?

Thrust bearing in cross section
The thrust races of our thrust bearings are made of the high-performance plastic xirodur developed by igus. This makes the use of lubricating greases superfluous, which in turn saves maintenance costs. The balls can be made of stainless steel or glass. The xiros thrust bearings are therefore made of plastic:

✔️ Corrosion-free,
✔️ Non-magnetic (when using glass balls) and
✔️ Resistant to chemicals.

The stated dimensions of thrust bearings are in accordance with the DIN 711 standard. The range includes single-row and double-row thrust bearings. The double-row thrust bearings are particularly well suited if a higher load capacity is required.

When are thrust bearings used?

Thrust bearings are used when high stiffness, low centrifugal forces and low to medium speeds are required. As a rule, this type of bearing is not suitable for radial loads. If necessary, they are combined with radial bearings. Radial bearings are designed in such a way that they withstand the forces acting vertically on the shaft but can also absorb radial forces at high speeds. Some rolling bearings are able to tolerate radial and axial forces that act on a shaft.

Thrust bearing table

Installation sizeInner Ø [mm]Outer Ø [mm]Width [mm]
5110010249
51104203510
51104 (double row)204710
    

Consulting

I look forward to answering your questions

Shipping and consultation

In person:

Monday to Friday from 7 am - 8 pm.
Saturdays from 8 am- 12 pm.

Online:

24h


The terms "Apiro", "AutoChain", "CFRIP", "chainflex", "chainge", "chains for cranes", "ConProtect", "cradle-chain", "CTD", "drygear", "drylin", "dryspin", "dry-tech", "dryway", "easy chain", "e-chain", "e-chain systems", "e-ketten", "e-kettensysteme", "e-loop", "energy chain", "energy chain systems", "enjoyneering", "e-skin", "e-spool", "fixflex", "flizz", "i.Cee", "ibow", "igear", "iglidur", "igubal", "igumid", "igus", "igus improves what moves", "igus:bike", "igusGO", "igutex", "iguverse", "iguversum", "kineKIT", "kopla", "manus", "motion plastics", "motion polymers", "motionary", "plastics for longer life", "print2mold", "Rawbot", "RBTX", "RCYL", "readycable", "readychain", "ReBeL", "ReCyycle", "reguse", "robolink", "Rohbot", "savfe", "speedigus", "superwise", "take the dryway", "tribofilament", "tribotape", "triflex", "twisterchain", "when it moves, igus improves", "xirodur", "xiros" and "yes" are legally protected trademarks of the igus® SE & Co. KG / Cologne in the Federal Republic of Germany and where applicable in some foreign countries. This is a non-exhaustive list of trademarks (e.g. pending trademark applications or registered trademarks) of igus GmbH or affiliated companies of igus in Germany, the European Union, the USA and/or other countries or jurisdictions.

igus® SE & Co. KG points out that it does not sell any products of the companies Allen Bradley, B&R, Baumüller, Beckhoff, Lahr, Control Techniques, Danaher Motion, ELAU, FAGOR, FANUC, Festo, Heidenhain, Jetter, Lenze, LinMot, LTi DRiVES, Mitsubishi, NUM,Parker, Bosch Rexroth, SEW, Siemens, Stöber and all other drive manufacturers mention on this website. The products offered by igus® are those of igus® SE & Co. KG