My contact person
Select location

After selection of your ZIP code, we designate the relevant staff to attend to you at once.

INT(EN)

drylin® ZLW: Belt drive for extreme conditions

Under water / cold storage

New this year:

Version LT for cold storage down to -30°C
Version UW for under water use

The long standing toothed belt drives have been developed for the fast positioning of low loads. The linear units with toothed belt drive are corrosion resistant, light and compact, besides having a low mass inertia due to low deadweight of guide and sliding carriage.

100 % lubricant-free version with plain bearings

Many-sided and simple assembly

Freely selectable stroke length

Low height and solid

Light and corrosion resistant


Industries: Test engineering, food technology

Fitting for this articles:


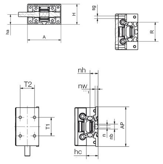
  Technical data ZLW-1040-LT
for cold storage
ZLW-1040-UW
for underwater use
  Weight without stroke [kg] 1,0 1,0
  weight 100mm stroke [mm] 0,14 0,14
  Max. stroke length* [mm] 2.000 1.000
  transmission [mm/U] 70 70
  Gear teeth   AT 5 AT 5
  Toothed belt material   TPUKF2 with stainless steel tie beam
  Toothed belt width [mm] 16 16
  Belt tension [N] 200 50
  Max. radial load [N] 300 100
  Guide bearing   cold ball bearing xiros® ball bearing
  Max. speed [m/s] 5 1
  position variants of carriage, load dependent [mm] ±0,2 ±0,5
  * longer stroke length upon request
This new pizza vending machine can bake a cold-storage pizza within two minutes and serve it to the customer. All bearing components have to resist the -20°C, perfect for the drylin® ZLW-LT.

Product range ZLW-1040-LT

Part. No. A Al H E2 l hc E3 R f lt sg ha lz l2    
  -0,3     ±0,15     ±0,15 ±0,15   ±0,3            
ready for shipping in 10 working days ZLW-1040-LT-100-L (1) 74 100 45 60 209 22,5 87 40 1 52 M6 22 27 20 464,03 USD Add to shopping cart
ready for shipping in 10 working days ZLW-1040-LT-100-R (1) 74 100 45 60 209 22,5 87 40 1 52 M6 22 27 20 464,03 USD Add to shopping cart
More about selected part:
3D-CAD 3D-CAD
Sample request Sample request
PDF PDF
Quote request Quote request
myCatalog myCatalog

(1) Dimension X freely selectable

Continue product range ZLW-1040-LT

Part. No. d2 X E AP LP dp n np nw nh T1 T2 d
      ±0,2 -1             ±0,25 ±0,25  
ready for shipping in 10 working days ZLW-1040-LT-100-L (1) 10 - 60 78 40 6,4 5,2 9,5 4,3 15,5 36 26.5 5
ready for shipping in 10 working days ZLW-1040-LT-100-R (1) 10 - 60 78 40 6,4 5,2 9,5 4,3 15,5 36 26.5 5
More about selected part:
3D-CAD 3D-CAD
Sample request Sample request
PDF PDF
Quote request Quote request
myCatalog myCatalog

(1) Dimension X freely selectable

Product range ZLW-1040-UW

Part. No. A Al H E2 l hc E3 R f lt sg ha lz l2    
  -0,3     ±0,15     ±0,15 ±0,15   ±0,3            
ready for shipping in 10 working days ZLW-1040-UW-100-L (1) 74 100 45 60 209 22,5 87 40 1 52 M6 22 27 20 464,03 USD Add to shopping cart
ready for shipping in 10 working days ZLW-1040-UW-100-R (1) 74 100 45 60 209 22,5 87 40 1 52 M6 22 27 20 464,03 USD Add to shopping cart
More about selected part:
3D-CAD 3D-CAD
Sample request Sample request
PDF PDF
Quote request Quote request
myCatalog myCatalog

(1) Dimension X freely selectable

Continue product range ZLW-1040-UW

Part. No. d2 X E AP LP dp n np nw nh T1 T2 d
      ±0,2 -1             ±0,25 ±0,25  
ready for shipping in 10 working days ZLW-1040-UW-100-L (1) 10 - 60 78 40 6,4 5,2 9,5 4,3 15,5 36 26.5 5
ready for shipping in 10 working days ZLW-1040-UW-100-R (1) 10 - 60 78 40 6,4 5,2 9,5 4,3 15,5 36 26.5 5
More about selected part:
3D-CAD 3D-CAD
Sample request Sample request
PDF PDF
Quote request Quote request
myCatalog myCatalog

(1) Dimension X freely selectable

More information:


Suitable for these parts:


ready for shipping in 10 working days

The terms "Apiro", "AutoChain", "CFRIP", "chainflex", "chainge", "chains for cranes", "ConProtect", "cradle-chain", "CTD", "drygear", "drylin", "dryspin", "dry-tech", "dryway", "easy chain", "e-chain", "e-chain systems", "e-ketten", "e-kettensysteme", "e-loop", "energy chain", "energy chain systems", "enjoyneering", "e-skin", "e-spool", "fixflex", "flizz", "i.Cee", "ibow", "igear", "iglidur", "igubal", "igumid", "igus", "igus improves what moves", "igus:bike", "igusGO", "igutex", "iguverse", "iguversum", "kineKIT", "kopla", "manus", "motion plastics", "motion polymers", "motionary", "plastics for longer life", "print2mold", "Rawbot", "RBTX", "RCYL", "readycable", "readychain", "ReBeL", "ReCyycle", "reguse", "robolink", "Rohbot", "savfe", "speedigus", "superwise", "take the dryway", "tribofilament", "tribotape", "triflex", "twisterchain", "when it moves, igus improves", "xirodur", "xiros" and "yes" are legally protected trademarks of the igus® SE & Co. KG / Cologne in the Federal Republic of Germany and where applicable in some foreign countries. This is a non-exhaustive list of trademarks (e.g. pending trademark applications or registered trademarks) of igus GmbH or affiliated companies of igus in Germany, the European Union, the USA and/or other countries or jurisdictions.

igus® SE & Co. KG points out that it does not sell any products of the companies Allen Bradley, B&R, Baumüller, Beckhoff, Lahr, Control Techniques, Danaher Motion, ELAU, FAGOR, FANUC, Festo, Heidenhain, Jetter, Lenze, LinMot, LTi DRiVES, Mitsubishi, NUM,Parker, Bosch Rexroth, SEW, Siemens, Stöber and all other drive manufacturers mention on this website. The products offered by igus® are those of igus® SE & Co. KG