After selection of your ZIP code, we designate the relevant staff to attend to you at once.
 
        Absolute freedom from lubricants
Low weight due to aluminium and plastics
Temperature-resistant up to +60 °C
Optionally available as corrosion-resistant versions with stainless steel lead screw
Protected lead screw
Effective design
Available with measurement scale without lead screw
Flanged version for axial mounting on surfaces and profiles
 
        | A [mm]: | 
 | 
 
                Select the installation size of the leadscrew module.
| Order no. | Max. stroke length | Aluminum shaft | Max. static load capacity | Unit price for | |||
|---|---|---|---|---|---|---|---|
| Weight shaft end supports and carriage | Additional (per 100 mm) | Axial | Radial | Base stroke 100 mm | |||
| [mm] | [kg] | [kg] | [N] | [N] | |||
| SET-12-AWM (1) | 200 | 0,05 | 0,03 | 10 | 20 | 69,92 USD | |
| SET-25-AWM (1) | 750 | 0,15 | 0,12 | 150 | 300 | 132,07 USD | |
| SET-30-AWM (1) | 850 | 0,2 | 0,21 | 200 | 400 | 169,50 USD | |
(1) Tapered off spindle end
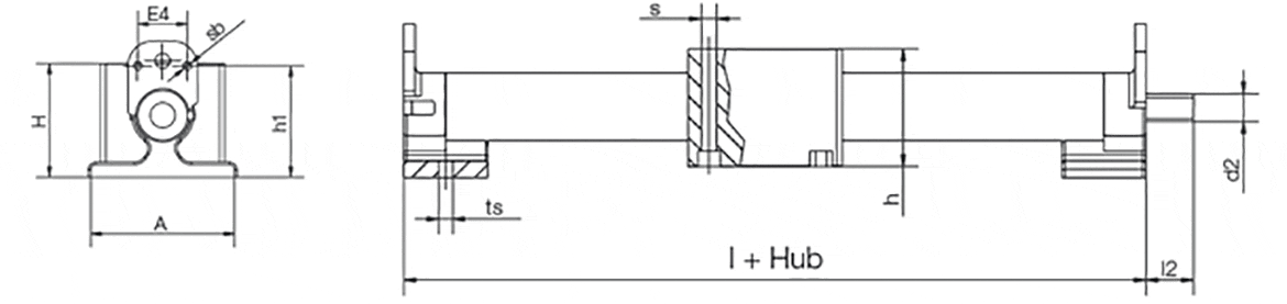
| Order no. | A | Al | H | E1 | E2 | E3 | E4 | l | h | h1 | lt | ts | s | sb | l2 | d2 | 
|---|---|---|---|---|---|---|---|---|---|---|---|---|---|---|---|---|
| SET-12-AWM (1) | 30 | 30 | 23,5 | 20 | 20 | 20 | - | 60 | 22 | 15 | 3,3 | 4,2 | 10 | M4 | ||
| SET-25-AWM (1) | 60 | 55 | 44 | 40 | 40 | 40 | 20 | 115 | 39 | 45 | 30 | 5,2 | 5,2 | M4 | 17 | TRx10x2 | 
| SET-30-AWM (1) | 80 | 55 | 49 | 60 | 40 | 40 | 20 | 125 | 39 | 50 | 35 | 6,5 | 5,2 | M4 | 20 | TRx12x3 | 
(1) Tapered off spindle end